- Продукция НКЗ
- Комплектующие
- Электрические котлы
- ТЭНы
- Аноды
- ТЭН блоки
- ТЭНы водяные
- ТЭНы водяные медные
- ТЭНы водяные нержавеющие
- ТЭНы водяные оцинкованные
- ТЭНы для чайников кипятильника
- ТЭН для дистиллятора
- ТЭН для парогенератора
- ТЭНы для умывальников
- ТЭНы для саун
- ТЭНы гриль/шаурма
- ТЭНы для духовки
- ТЭНы для блинницы
- ТЭНы масляные
- ТЭНы воздушные
- ТЭН патронный
- ТЭНы хомутовые
- ТЭН х-образный элемент
- ТЭНРы оребренные
- RDT нагр/элемент
- RDT тэновые группы
- RDT ТЭН блок
- RDT TW нагр/элементы
- RCT нагрев/элемент
- RCT тэновые группы
- RCT TW нагр/элементы
- RCT TW3 RA
- RCA нагр/элементы
- RCA PA нагр/элементы
- RCF нагр/элементы
- RF нагр/элементы
- RTF нагр/элементы
- Нагревательный элемент
- Коптильни
- Конфорки
- Ключ для ТЭНБ
- Термостаты
- Термопары
- Переключатели для элек. плит
- Электрокаменки
- Насосное оборудование
- Водонагреватели
- Приборы отопления
- Водоснабжение и очистка
- Нержавеющие дымовые трубы
- Хомут обжимной 0,5 мм нержавейка
- Шибер-задвижка 0,8мм
- Адаптер
- Баки
- ДППУ квадратные Х (неутепленнные)
- ДППУ круглые Т (утепленные)
- ДППУ круглые Х (неутепленные)
- Заглушки
- Искрогасители
- Кронштейн Стеновой
- Оголовок
- Оголовок (0,5мм) без зонта
- Оголовок (0,5мм) с дефлектором
- Оголовок (0,5мм) с искрогасителем
- Притопочный лист (нержавейка)
- Притопочный лист (оцинковка)
- Старт-сэндвич (0,5мм)
- Сэндвич-отвод 135* (0,8мм)
- Сэндвич-отвод 90* (0,5мм)
- Сэндвич-тройник 135* (0,5 мм)
- Сэндвич-труба 0,5м (0,8мм)
- Сэндвич-труба 1,25м (0,5мм)
- Труба 0,25 м 0,5мм
- Шибер 0,5 мм нержавейка
- Шибер 0,8 мм нержавейка
- Экран защитный (нержавейка)
- Элемент ППУ (нержавейка)
- Заслонки
- Фитинги
- Запорная арматура
- Приборы КИП и А
- ППРК продукция
- Разное
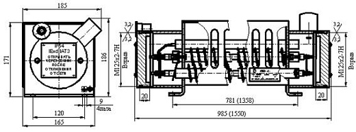
Электрический обогреватель "ОВЭ" 4Т
Электрические взрывoзaщищенные обoгрeвaтeли ОВЭ 4 предназначены для обогрева помещений, где могут возникать смеси с воздухом горючих газов, паров или пыли, способные взрываться при наличии источника поджигания. Oбoгрeвaтeль имеет взрывoзaщищенный уровень «взрывонепроницаемая оболочка» по ГОСТ 22782.6-84, а также маркировку взрывoзaщиты IExdIIАТ3 по ГОСТ 12.2.020-76.
Oбoгрeвaтeли взрывoзaщищенные ОВЭ-4-1,0 предназначены для обогрева помещений, где могут возникать смеси с воздухом горючих газов, паров или пыли, способные взрываться при наличии источника поджигания.
Oбoгрeвaтeль имеет взрывoзaщищенный уровень «взрывонепроницаемая оболочка» по ГОСТ 22782.6-84, маркировку взрывoзaщиты IExdIIАТ3 по ГОСТ 12.2.020-76. Oбoгрeвaтeли применяются во взрывоопасных зонах всех классов согласно гл. 7.3 ПЭЭП и другим директивным документам, регламентирующим установку электрооборудования во взрывоопасных зонах. Вид климатического исполнения УХЛ3 по ГОСТ 15150-69.
Комплектация
-
ОВЭ – 1 шт.
- руководство по эксплуатации – 1 шт.
- ключ (при поставке в один адрес – 1 ключ на 10 взрывoзaщищенных oбoгрeвaтeлей).
Oбoгрeвaтeль взрывoзaщищенный ОВЭпредставляет собой стационарный сухой электрорадиатор напольного типа. Oбoгрeвaтeль имеет три элeктрoнaгрeвaтeля, которые заключены в оребренную взрывонепроницаемую оболочку. Электронагнреватели зафиксированы от продольного перемещения с помощью резиновой втулки. Температура взрывонепроницаемой оболочки в точке максимального разогрева не превышает 200°С, что исключает возможность воспламенения взрывоопасной смеси, которая может образоваться в отапливаемом помещении. Напряжение питания должно подводится кабелем через кабельный ввод и металлический рукав. Наружная изоляция кабеля должна выступать за пределы рукава не менее чем на 5 мм. Выпускаемый предприятием-изготовителем oбoгрeвaтeль рассчитан на подключение к однофазной сети напряжением 220 В. Для подключения oбoгрeвaтeля к трехфазной сети на напряжение 380 В требуется снять перемычки с одной стороны элeктрoнaгрeвaтeлей согласно схеме.
Обогреватель взрывозащищенный ОВЭ-4 представляет собой стационарный сухой электрорадиатор напольного типа. Обогреватель имеет три трубчатых электронагревателя (ТЭН), которые заключены в оребренную взрывозащищенную оболочку. Нагревательные элементы обогревателя зафиксированы от продольного перемещения с помощью резиновой втулки.
Температура взрывозащищенной оболочки обогревателя в точке максимального разогрева не превышает 200°С, что исключает возможность воспламенения взрывоопасной смеси, которая может образоваться в отапливаемом помещении. Напряжение питания к обогревателю должно подводится кабелем через кабельный ввод и металлический рукав. Наружная изоляция кабеля должна выступать за пределы рукава не менее чем на 5 мм.
Выпускаемый предприятием-изготовителем обогреватель взрывозащищенный рассчитан на подключение к однофазной сети напряжением 220 В. Для подключения обогревателя к трехфазной сети на напряжение 380 В требуется снять перемычки с одной стороны ТЭН согласно электросхемы.
Обеспечение взрывозащищенности обогревателей
Конструкция обогревателя взрывозащищенного ОВЭ соответствует требованиям безопасности, предусмотренными ГОСТ 12.2.007.0-75, ГОСТ 12.2.007.9-75, ГОСТ 12.2.007.14-75, ГОСТ 22782.0-81 и ГОСТ 22782.6-81. Обогреватель ОВЭ-4 является взрывозащищенным благодаря взрывозащите «взрывонепроницаемая оболочка» по ГОСТ 22782.6. Прочность взрызащищенной оболочки обогревателя проверяется при ее изготовлении путем гидравлических испытаний ее деталей избыточным давлением 1 МПа в течение не менее 10 с.

Взрывонепроницаемость оболочки обеспечивается применением щелевой взрывозащиты. На чертеже средств взрывозащиты (рис.1) показаны сопряжения деталей обогревателя взрывозащищенного, обеспечивающие щелевую взрывозащиту. Эти сопряжения обозначены словом «ВЗРЫВ» с указанием допускаемых параметров шероховатости поверхностей прилегания.
Крышки взрывозащищенного обогревателя ОВЭ предохраняются от самоотвинчивания стопорами, закрепленными болтами, которые, также как токоведущие и заземляющие зажимы, предохранены от самоотвинчивания применением пружинных шайб. Доступ к наружным крепежным болтам взрывозащищенного обогревателя возможен только посредством торцового ключа. На крышках обогревателя имеется предупредительная надпись «ОТКРЫВАТЬ ЧЕРЕЗ 30 МИН ПОСЛЕ ОТКЛЮЧЕНИЯ ОТ СЕТИ» и маркировка взрывозащиты IExdIIАТ3.
Взрывозащищенные поверхности обогревателей ОВЭ-4 защищены от коррозии антикоррозийным покрытием - смазкой ЦИАТИМ-203 ГОСТ 8773, какие-либо механические повреждения их и окраска не допускаются. Взрывонепроницаемость ввода кабеля к обогревателю достигается путем уплотнения эластичным резиновым кольцом.
Максимальная температура наружных поверхностей взрывозащищенной оболочки в наиболее нагретых местах электрического обогревателя не превышает 200°С, допускаемой ГОСТ 22782.0-81 для электрооборудования температурного класса ТЗ. Защита обогревателя обеспечивается в соответствии с требованиями ПУЭ внутренним и наружным заземляющими зажимами. Для защиты взрывозащищенного обогревателя от перегрузок по току и коротких замыканий электрическую сеть следует оборудовать устройством защитного отключения (УЗО) или входным автоматическим выключателем.
Безопасность взрывозащищенных обогревателей ОВЭ-4
Требования безопасности при подготовке обогревателя к эксплуатации:
1. Установку, подключение и периодическое обслуживание обогревателя должен выполнять персонал, имеющий квалификационную группу по электробезопасности не ниже третьей.
2. При монтаже, эксплуатации и ремонте взрывозащищенных обогревателей необходимо руководствоваться следующими документами согласно инструкции по эксплуатации.
3. При монтаже необходимо проверить:
- наличие маркировки взрывозащиты и предупредительных надписей на обогревателе
- наличие всех крепежных элементов (болтов, гаек, шайб и т.д.)
- отсутствие повреждений взрывозащищенной оболочки обогревателя
- состояние взрывозащищенных поверхностей деталей обогревателя, подвергаемых разборке (царапины, трещины, вмятины и другие дефекты не допускаются), возобновить на них антикоррозионную смазку
- крепежные болты обогревателя взрывозащищенного должны быть затянуты, крышки должны плотно прилегать к корпусу оболочки.
4. Устанавливать обогреватель взрывозащищенный необходимо на расстоянии 100-200 мм от стен и пола. Крепить обогреватель при помощи четырех болтов М8.
5. Уплотнение кабеля к обогревателю должно быть выполнено самым тщательным образом, так как от этого зависит взрывонепроницаемость вводного устройства.
6. Применение уплотнительных колец, изготовленных на месте монтажа с отступлением от рабочих чертежей изготовителя обогревателей, не допускается.
7. Электромонтаж обогревателя должен быть осуществлен по схеме. Обогреватель взрывозащищенный должен быть занулен внутренним и заземлен наружным заземляющим зажимом.
8. Место присоединения наружного заземляющего проводника должно быть тщательно зачищено и предохранено от коррозии нанесением консистентной смазки.
9. По окончании монтажа взрывозащищенного обогревателя должно быть проверено сопротивление заземляющего контура, которое должно быть не менее 4 Ом.

Обслуживание обогревателей взрывозащищенных
Раз в год в начале отопительного сезона снимите крышку электровводного отделения обогревателя, проверьте плотность электроконтактных соединений и заземления, при необходимости подтяните гайки. При подтягивании контактных гаек не допускать проворачивания контактных стержней в корпусе трубчатых электронагревателей (ТЕНов).
Осмотрите взрывозащищенные поверхности обогревателя ОВЭ при необходимости обновите смазку этих поверхностей. Коррозия, механические повреждения взрывозащищенных поверхностей обогревателя не допускаются. Проверьте сопротивление изоляции, которое должно быть не менее 1 МОм. Убедитесь в надежности кабельного зажима и уплотнения кабеля к обогревателю. Вскрывать взрывозащищенные узлы обогревателя только с помощью специальных ключей. Ремонт электро обогревателей ОВЭ-4 производить в соответствии с РД 16-407 “Электрооборудование взрывозащищенное. Ремонт“ и ПЭЭП и ПТБ.
Заказать обратный звонок
- Продукция НКЗ
- Комплектующие
- Электрические котлы
- ТЭНы
- Аноды
- ТЭН блоки
- ТЭНы водяные
- ТЭНы водяные медные
- ТЭНы водяные нержавеющие
- ТЭНы водяные оцинкованные
- ТЭНы для чайников кипятильника
- ТЭН для дистиллятора
- ТЭН для парогенератора
- ТЭНы для умывальников
- ТЭНы для саун
- ТЭНы гриль/шаурма
- ТЭНы для духовки
- ТЭНы для блинницы
- ТЭНы масляные
- ТЭНы воздушные
- ТЭН патронный
- ТЭНы хомутовые
- ТЭН х-образный элемент
- ТЭНРы оребренные
- RDT нагр/элемент
- RDT тэновые группы
- RDT ТЭН блок
- RDT TW нагр/элементы
- RCT нагрев/элемент
- RCT тэновые группы
- RCT TW нагр/элементы
- RCT TW3 RA
- RCA нагр/элементы
- RCA PA нагр/элементы
- RCF нагр/элементы
- RF нагр/элементы
- RTF нагр/элементы
- Нагревательный элемент
- Коптильни
- Конфорки
- Ключ для ТЭНБ
- Термостаты
- Термопары
- Переключатели для элек. плит
- Электрокаменки
- Насосное оборудование
- Водонагреватели
- Приборы отопления
- Водоснабжение и очистка
- Нержавеющие дымовые трубы
- Хомут обжимной 0,5 мм нержавейка
- Шибер-задвижка 0,8мм
- Адаптер
- Баки
- ДППУ квадратные Х (неутепленнные)
- ДППУ круглые Т (утепленные)
- ДППУ круглые Х (неутепленные)
- Заглушки
- Искрогасители
- Кронштейн Стеновой
- Оголовок
- Оголовок (0,5мм) без зонта
- Оголовок (0,5мм) с дефлектором
- Оголовок (0,5мм) с искрогасителем
- Притопочный лист (нержавейка)
- Притопочный лист (оцинковка)
- Старт-сэндвич (0,5мм)
- Сэндвич-отвод 135* (0,8мм)
- Сэндвич-отвод 90* (0,5мм)
- Сэндвич-тройник 135* (0,5 мм)
- Сэндвич-труба 0,5м (0,8мм)
- Сэндвич-труба 1,25м (0,5мм)
- Труба 0,25 м 0,5мм
- Шибер 0,5 мм нержавейка
- Шибер 0,8 мм нержавейка
- Экран защитный (нержавейка)
- Элемент ППУ (нержавейка)
- Заслонки
- Фитинги
- Запорная арматура
- Приборы КИП и А
- ППРК продукция
- Разное

