Продукция Теплотрон

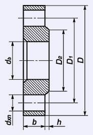
Фланец Ду65-10 атм.

   Фланец - элемент трубопровода, предназначенный для монтажа отдельных его частей и для присоединения оборудования к трубопроводу.

Цена: 753.00 рублей

Характеристики
Схема
Инструкция по монтажу
Детальная информация
Цена 753,00
Давление 10 атм.
Диаметр 65 мм
С этим товаром рекомендуем:

     

    Фланцы применяются для подсоединения изделий арматуры к трубопроводам, соединения отдельных участков трубопроводов между собой и для присоединения трубопроводов к различному оборудованию. Фланцы могут изготавливаться из сталей следующих марок: З, 20, 25, 09Г2С, 10Г2, 15Х5М, 12Х18Н10Т.


    Фланцы изготавливаются в двух вариантах:

- стальные плоские приварные фланцы ( ГОСТ 12820-80);

- стальные приварные встык (воротниковые) фланцы ( ГОСТ 12821-80).


    Допустимый диапазон температуры, при которой могут применяться фланцы:

- плоские - от минус 70 до плюс 4500С;

- приварные встык (воротниковые) - от минус 253 до плюс 6000С.


    Фланцы в основном имеют круглую форму, однако фланцы, имеющие четыре отверстия под болты, допускается изготавливать квадратными (на условное давление до 40 кгс/см2).


    Отверстия под болты во фланцах располагаются симметрично по отношению к главным осям. Фланцы могут изготовляться ковкой, штамповкой, гибкой, а также другими методами из полосового проката с последующей сваркой стыка.

Заказать обратный звонок



200-200-3.jpg

акция-2.jpg
Комплектующие