- Продукция НКЗ
- Комплектующие
- Электрические котлы
- ТЭНы
- Аноды
- ТЭН блоки
- ТЭНы водяные
- ТЭНы водяные медные
- ТЭНы водяные нержавеющие
- ТЭНы водяные оцинкованные
- ТЭНы для чайников кипятильника
- ТЭН для дистиллятора
- ТЭН для парогенератора
- ТЭНы для умывальников
- ТЭНы для саун
- ТЭНы гриль/шаурма
- ТЭНы для духовки
- ТЭНы для блинницы
- ТЭНы масляные
- ТЭНы воздушные
- ТЭН патронный
- ТЭНы хомутовые
- ТЭН х-образный элемент
- ТЭНРы оребренные
- RDT нагр/элемент
- RDT тэновые группы
- RDT ТЭН блок
- RDT TW нагр/элементы
- RCT нагрев/элемент
- RCT тэновые группы
- RCT TW нагр/элементы
- RCT TW3 RA
- RCA нагр/элементы
- RCA PA нагр/элементы
- RCF нагр/элементы
- RF нагр/элементы
- RTF нагр/элементы
- Нагревательный элемент
- Коптильни
- Конфорки
- Ключ для ТЭНБ
- Термостаты
- Термопары
- Переключатели для элек. плит
- Электрокаменки
- Насосное оборудование
- Водонагреватели
- Приборы отопления
- Водоснабжение и очистка
- Нержавеющие дымовые трубы
- Хомут обжимной 0,5 мм нержавейка
- Шибер-задвижка 0,8мм
- Адаптер
- Баки
- ДППУ квадратные Х (неутепленнные)
- ДППУ круглые Т (утепленные)
- ДППУ круглые Х (неутепленные)
- Заглушки
- Искрогасители
- Кронштейн Стеновой
- Оголовок
- Оголовок (0,5мм) без зонта
- Оголовок (0,5мм) с дефлектором
- Оголовок (0,5мм) с искрогасителем
- Притопочный лист (нержавейка)
- Притопочный лист (оцинковка)
- Старт-сэндвич (0,5мм)
- Сэндвич-отвод 135* (0,8мм)
- Сэндвич-отвод 90* (0,5мм)
- Сэндвич-тройник 135* (0,5 мм)
- Сэндвич-труба 0,5м (0,8мм)
- Сэндвич-труба 1,25м (0,5мм)
- Труба 0,25 м 0,5мм
- Шибер 0,5 мм нержавейка
- Шибер 0,8 мм нержавейка
- Экран защитный (нержавейка)
- Элемент ППУ (нержавейка)
- Заслонки
- Фитинги
- Запорная арматура
- Приборы КИП и А
- ППРК продукция
- Разное
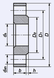
Фланец Ду25-10 атм.
Фланец - элемент трубопровода, предназначенный для монтажа отдельных его частей и для присоединения оборудования к трубопроводу.
Цена: 174.00 рублей
Фланцы применяются для подсоединения изделий арматуры к трубопроводам, соединения отдельных участков трубопроводов между собой и для присоединения трубопроводов к различному оборудованию. Фланцы могут изготавливаться из сталей следующих марок: З, 20, 25, 09Г2С, 10Г2, 15Х5М, 12Х18Н10Т.
Фланцы изготавливаются в двух вариантах:
- стальные плоские приварные фланцы ( ГОСТ 12820-80);
- стальные приварные встык (воротниковые) фланцы ( ГОСТ 12821-80).
Допустимый диапазон температуры, при которой могут применяться фланцы:
- плоские - от минус 70 до плюс 4500С;
- приварные встык (воротниковые) - от минус 253 до плюс 6000С.
Фланцы в основном имеют круглую форму, однако фланцы, имеющие четыре отверстия под болты, допускается изготавливать квадратными (на условное давление до 40 кгс/см2).
Отверстия под болты во фланцах располагаются симметрично по отношению к главным осям. Фланцы могут изготовляться ковкой, штамповкой, гибкой, а также другими методами из полосового проката с последующей сваркой стыка.
Заказать обратный звонок
- Продукция НКЗ
- Комплектующие
- Электрические котлы
- ТЭНы
- Аноды
- ТЭН блоки
- ТЭНы водяные
- ТЭНы водяные медные
- ТЭНы водяные нержавеющие
- ТЭНы водяные оцинкованные
- ТЭНы для чайников кипятильника
- ТЭН для дистиллятора
- ТЭН для парогенератора
- ТЭНы для умывальников
- ТЭНы для саун
- ТЭНы гриль/шаурма
- ТЭНы для духовки
- ТЭНы для блинницы
- ТЭНы масляные
- ТЭНы воздушные
- ТЭН патронный
- ТЭНы хомутовые
- ТЭН х-образный элемент
- ТЭНРы оребренные
- RDT нагр/элемент
- RDT тэновые группы
- RDT ТЭН блок
- RDT TW нагр/элементы
- RCT нагрев/элемент
- RCT тэновые группы
- RCT TW нагр/элементы
- RCT TW3 RA
- RCA нагр/элементы
- RCA PA нагр/элементы
- RCF нагр/элементы
- RF нагр/элементы
- RTF нагр/элементы
- Нагревательный элемент
- Коптильни
- Конфорки
- Ключ для ТЭНБ
- Термостаты
- Термопары
- Переключатели для элек. плит
- Электрокаменки
- Насосное оборудование
- Водонагреватели
- Приборы отопления
- Водоснабжение и очистка
- Нержавеющие дымовые трубы
- Хомут обжимной 0,5 мм нержавейка
- Шибер-задвижка 0,8мм
- Адаптер
- Баки
- ДППУ квадратные Х (неутепленнные)
- ДППУ круглые Т (утепленные)
- ДППУ круглые Х (неутепленные)
- Заглушки
- Искрогасители
- Кронштейн Стеновой
- Оголовок
- Оголовок (0,5мм) без зонта
- Оголовок (0,5мм) с дефлектором
- Оголовок (0,5мм) с искрогасителем
- Притопочный лист (нержавейка)
- Притопочный лист (оцинковка)
- Старт-сэндвич (0,5мм)
- Сэндвич-отвод 135* (0,8мм)
- Сэндвич-отвод 90* (0,5мм)
- Сэндвич-тройник 135* (0,5 мм)
- Сэндвич-труба 0,5м (0,8мм)
- Сэндвич-труба 1,25м (0,5мм)
- Труба 0,25 м 0,5мм
- Шибер 0,5 мм нержавейка
- Шибер 0,8 мм нержавейка
- Экран защитный (нержавейка)
- Элемент ППУ (нержавейка)
- Заслонки
- Фитинги
- Запорная арматура
- Приборы КИП и А
- ППРК продукция
- Разное

